来源:上海高通半导体有限公司
时间:2018-01-10
返回列表
| 本方案主控采用STM32L051,显示屏0.91寸128*32OLED,LCD驱动芯片是SSD1306,字库显示采用高通GT24L24A2Y字库芯片,字库芯片主要用于实现OLED界面上基本文字以及特殊字体的显示。详细规格书代码等资料可查看附件。 |
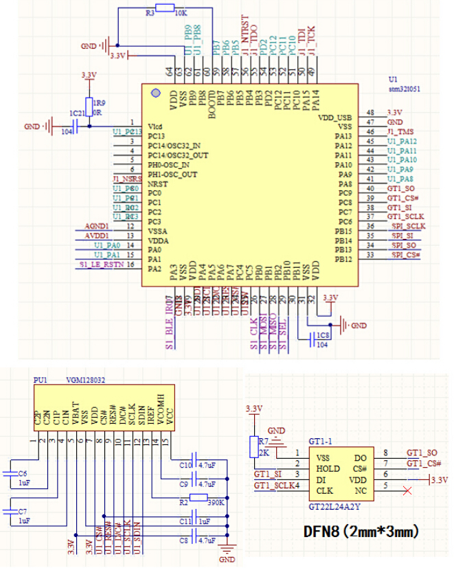
| 以下分别是STM32L051,SSD1306和GT24L24A2Y在原理图中的模块电路。 |
![]() |
| 电路原理图的绘制需要注意的是对于陌生元件或是IC的使用,工程师或是爱好者可根据元器件规格书的阐述绘制相应的原理图,大部分元件规格书皆有参考电路,根据参考电路结合其他模块电路的兼容性、抗干扰能力绘制完整电路。本方案中所绘制的原理图主控电路是使用了stm32l051芯片的系统电路,其主要注意的是纹波及尖峰波对芯片运行的干扰,注意加滤波电容;显示屏部分则为SPI总线模式的驱动电路,电路中使用内部升压;最后的字库芯片驱动电路最为简单,字库芯片是有由SPI总线模式通信,相应的使用电路可以根据规格的参考电路直接使用即可。电源电路既是普通的稳压滤波电路,在此则不详细说明。完成了电路部分,知道了总线模式,再结合数据手册才可以对该设备编写程序代码。首先是OLED液晶屏的驱动,要液晶屏显示你想要的数据,主要是LCD初始化成功,下面是LCD初始化程序,根据指令列表编写的程序代码: |
![]() |
|
初始化显示屏之前必须对引脚的模式进行相对应的配置,配置GPIO模式和端口时钟使能,程序如下图所示: |
![]() |
|
显示驱动成功后则接着是对字库芯片的文字数据获取进行编程调试,以下是获取GB18030文字数据的函数代码,其中获取的点阵数据大小为16*16点阵。 |
![]() |
|
实际效果图 |
| 以下界面演示以当前较火的智能手环为例。显示屏上的字模源于GT24L24A2Y,可以显示16点阵和24点阵中文。另外这款芯片封装为DFN8 2X3,适用于小型设备应用。 |
![]() |
|
字库芯片中另有64KB可擦写空间,用于图标和数据存放。 下图为24点阵的黑体文字“界面显示”。 |
![]() |










